

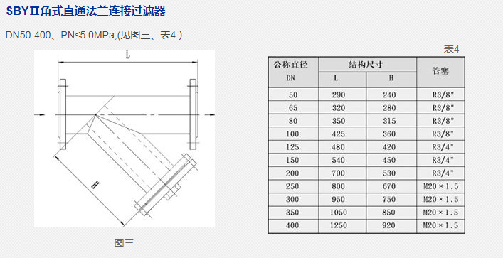
SBY角式直通法兰连接过滤器
特点:
SBY系列泵用过滤器、SBL系列蓝式过滤器是石油、蒸汽减温器化工等输送管线上必不可少的设备,具有结构紧凑。使用方便。过滤能力大,压力损失小。安全可靠,价格低廉等优点。本产品规格齐全,适用性强,袺将它安装在泵的λ口或系统管线的有关部位。既可延长泵及一系列设备的使用寿命。又能保证整个系统安全稳定地进行。蒸汽减温器过滤器价格,过滤器厂家,过滤器报价


SBT直角T型法兰连接过滤器
T型过滤器采用碳钢、不锈钢材质焊接而成,蒸汽减温器分SRT直角式过滤器和SBY直通式过滤器两种结构,是管道输送液体过程中清除固体杂质的设备。液体流经过滤器时,其中的杂质被滤出,可保护机泵、压缩机、仪表和其它设备正常工作。当需要清洗时,只要将可拆卸的滤筒取出,去除滤出的杂质后,重新装入即可,蒸汽减温器使用维护极为方便。
直通T型过滤器适用的物料有:
1. 化工、石油化工生产中的弱腐蚀性物料,如:水、氨、油品、烃类等。
2. 化工生产中的腐蚀性物料,如:烧碱、纯碱、浓稀*酸、碳酸、醋酸、酯酸等。
3. 制冷中的低温物料,如:液甲烷、液氨、液氧和各种冷剂。
4. 轻工食品、制药生产中卫生要求的物料,如:啤酒、饮料、乳制品、粮浆医药用品。
5. 各种特殊工艺的高效精密过滤器等。


SBL过滤器
SBLⅠ直通法兰连接篮式过滤器
(1) FBLⅠ直通法兰连接单滤筒篮式:DN25-300、PN≤5.0MPa,(见图七、表8)。
(2) FBLⅠM直通法兰连接双滤筒篮式过滤器:DN25-300、PN≤5.0MPa,(见图八、表8)。

SBLⅠF直通法兰连接带夹套篮式过滤器
DN25-200、PN≤5.0MPa,(见图九、表9)

SBLⅡ型直通支承法兰连接篮式过滤器
DN350-500、PN≤5.0MPa,(见图十、表10)

SBLⅢ高低接管法兰连接篮式过滤器
(1) SBL Ⅲ高低接管单滤筒法兰连接篮式过滤器:DN25-300、PN≤5.0MPa,(见图十一、表11)。
(2) SBL ⅢM高低接管双滤筒法兰连接篮式过滤器:DN25-300、PN≤5.0MPa,(见图十二、表11)。

SBLⅣ高低接管支承法兰连接篮式过滤器
DN350-500、PN≤5.0MPa,(见图十三、表12)

SBV尖顶锥形过滤器
锥形过滤器又称为临时过滤器,顾名思义其外形为椎体,属于管道粗过滤系列。其形式简单,去除管道内介质中的杂质是设备正常工作及运转,达到稳定的工艺过程,保证设备安全生产。其原理为流体进入滤筒后,其杂质被阻拦,而清洁的流体流岀岀口,当需要清洗时,只需卸下锥形滤筒,清洗后装入即可。锥形过滤器特点:主要用于管线开车之前,安装在管道两法兰之间,设备简单、可靠、方便、适用广泛。
锥形过滤器在出厂时将严格按脱脂工艺清洗除油除锈,届时用户可直接将其与管道安装蒸汽减温器后投运。


气体过滤器
■产品概述
SF0型气体过滤器是一种新型、高效气体除尘设备,广泛用于石油、天然气工业部门一般含尘量的气体主管线和旁通管。亦是城市天然气、煤制气输配系统安全、可靠运行的气体净化设备。具有结构、除尘效率高、操作维护方便等优点。
■主要技术参数
公称直径:DN40-DN300
工作压力:1.0—5.4MPa
工作温度:≤80℃
处理量:≤12000m3/h(工作状态下)
■选用要点
◆选用本系列产品必须注明介质,操作压力及温度。
◆SLF0型气体过滤器主要用于干气过滤,如介质含水较高时,应在设备前安装我公司生产的预分离器,以保证过滤器效果。