您当前的位置 :首页 > 产品展示 > 喷射器

地坑喷射器

2025-04-16 11:08:35
0
详细介绍:

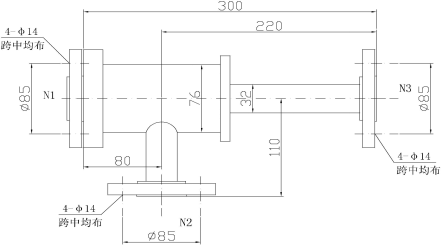
  用于抽除泄漏在厂区内的低位沉积液体,采用低压蒸汽作为工作介质抽引地坑中积液,蒸汽量为50-150Kg/h,压力0.4-0.5MPa,液体量2-3m3/h,引射高度5m,排出口高度1m。

 

PSD-地坑喷射器

上一篇:WGP喷射器2025-06-20
下一篇:臭氧喷射器2025-04-16