您当前的位置 :首页 > 产品展示 > 消声器

AP型压缩空气放散消声器

2025-04-16 08:59:15
0
详细介绍:

一、结构形式

  本系列消声器为阻抗复合型结构,阻性段采用列管吸声通道,抗性段采用节流减少,可与不同风量空压机配套。


二、适用范围

  主要用于减少压缩空气排放时产生的空气动力性噪声。压力为0.3-0.8MPa,消声量≥30dB(A),本装置一般为卧式安装。汽水混合器


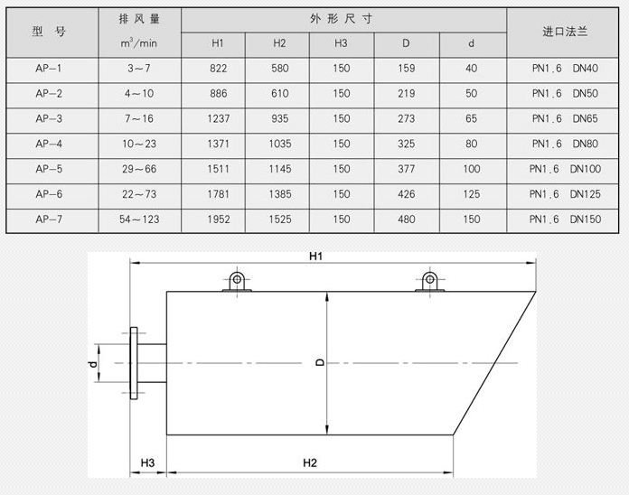
三、规格、性能、外形尺寸

汽水混合器