

工作原理
汽水分离器的工作原理:大量含水的气体进入汽水分离器,并在其中以离心向下倾斜式运动;夹带的水份由于速度降低而被分离出来;被分离的液体流经疏水阀排出,干燥清洁的气体从分离器出口排出。
结构
汽水分离器的结构按压力容器规范设计,应用于去除蒸汽系统或压缩空气系统中所夹带液滴的场合3种类虽然分离器的设计多种多样,但它们的目的都是除去不能通过疏水阀排掉的悬浮在气体中的水分。一般用于气体系统中的分离器有三种形式。
挡板型 - 挡板或折板式分离器由很多挡板构成,流体在分离器内多次改变流动方向,由于悬浮的水滴有较大的质量和惯性,当遇到挡板流动方向改变时,干蒸汽可以绕过挡板继续向前,而水滴就会积聚在挡板上,汽水分离器有很大的通流面积,减少了水滴的动能,大部分都会凝聚,最后落到分离器的底部,通过疏水阀排出。
汽旋型 - 汽旋或离心型分离器使用了一连串肋片以便产生高速气旋,在分离器内高速旋转流动的蒸汽。
吸附型 - 吸附型分离器内部的气体通道上有一个阻碍物,一般是一个金属网垫,悬浮的水滴遇到它后被吸附,水滴大到一定程度后,由于重力作用落到分离器底部。结合汽旋和吸附两种形式的分离器也很常见,由于结合了这两种方法整个分离效率会有所提高。
挡板式、汽旋式和吸附式分离器的主要不同是,挡板式分离器在较大的流速范围内可以保持很高的分离效率,而汽旋式和吸附式分离器的分离效率只有在气体速度10m/s以下才能达到98%,否则效率会很低,蒸汽速度为25m/s时,其分离效率大概仅为50%。
研究表明,挡板式分离器在10m/s 到30m/s的流速之间分离效率可接近100%,所以说如果有较大的速度波动,挡板式分离器用于气体系统更为合适,况且如果管道选小,湿气体的速度可超过30m/s。解决这一问题的方法之一是增大汽水分离器的口径以及分离器上游管道口径,以减小进入汽水分离器的气体流速。
一、产品简介
汽水分离器能有效地分离气体中的水滴,对整个装置正常运行起保护作用,因此凡是需要分离气体中的水分,得到较干燥的气体都可以使用汽水分离
我公司生产的QF型汽水分水器主要技术参数如下:
操作介质: 气体、水; 最高工作压力: 1 . 0 M P a ; 设计压力:1.3MPa;设计温度:300℃
二、产品规格

规格型号 | 气体入口a | 气体入口b | 气体入口c | 排水口d | ||||
| 公称直径 | 公称压力MPa | 公称直径 | 公称压力MPa | 公称直径 | 公称压力MPa | 公称直径 | 公称压力MPa |
QF-50 | 50 |
0.6 | 50 |
1.0 | 50 |
1.6 |
50 |
0.6-1.6 |
QF-80 | 80 | 80 | 80 | |||||
QF-100 | 100 | 100 | 100 | |||||
QF-125 | 125 | 125 | 125 | |||||
QF-150 | 150 | 150 | 150 |
50 | ||||
QF-200 | 200 | 200 | 200 | |||||
QF-250 | 250 | 250 | 250 | |||||
QF-300 | 300 | 300 | 300 | |||||
QF-350 | 350 | 350 | 350 | |||||

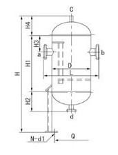
三、产品主要连接尺寸
型号 | L | D | H | H1 | H2 | H3 | H4 | n-d1 |
QF-50 | 596 | 273 | 1120 | 300 | 215 | 180 | / | |
QF-80 | 680 | 377 | 1350 | 400 | 220 | 200 |
| / |
QF-100 | 700 | 426 | 1530 | 500 | 230 | 200 |
| / |
QF-125 | 1050 | 530 | 1758 | 600 | 250 | 200 |
| / |
QF-150 | 1050 | 530 | 1990 | 800 | 250 | 220 |
| / |
QF-200 | 1050 | 630 | 2040 | 900 | 250 | 250 |
| 3-Φ20 |
QF-250 | 1200 | 720 | 2120 | 1000 | 250 | 270 |
| 3-Φ20 |
QF-300 | 1300 | 820 | 2190 | 1200 | 300 | 300 |
| 3-Φ20 |
QF-350 | 1450 | 1020 | 2280 | 1200 | 300 | 300 |
| 3-Φ20 |
四、订货说明
1、本系列设备已按气体接管尺寸考虑了相应的分离面积,用户可直接根据气体管径选用。
2、本系列设备均按GB150-1998《钢制压力容器》和劳动部颁发的“压力容器安全技术监察规程”的有关规定进行制造和验收。
3、本系列设备接管法兰按HG20593-97标准,并带配对法兰,也可根据GB、SH、JB、ANSZ、JIS等。
4、本系列设备材质为碳钢,用户如选用不锈钢等材料,订货时应注明。