

JCXL型在线式采样器
一、结构特点
JCXL型在线式采样器,主要由应急阀、传动丝杆、 阀体、丝杆支架、手柄、柱塞、出液管、密封组件及联接法兰组成。由于柱塞于阀体及联接法兰中,每次采样时不排残液(气),也清扫了凝堵的因素。
二、型号、适用范围及使用方法
JCXL-IA型液体在线式采样器
适用范围:本采样器适用于很多粘度、无强腐蚀性的液体介质的采样。
使用温度:-20~200℃,工作压力:0~6.4MPa
使用方法:(1)将贮样瓶瓶口对准采样器的出液管口
(2)逆时针方向慢慢旋转采样器手柄至液口流出介质为止;
(3)等样品采足后,可以顺时针方向旋转采样器手柄至丝杠旋入为止。
型号及参数:
JCXL-IB型液体在线式采样器
适用范围:本采样器适用于粘度、无腐蚀性的液体介质的采样。也可用作易凝堵部位的排空阀、检查阀等。
使用温度:-20~425℃,工作压力:0~6.4MPa
使用方法:(1)将贮样瓶口对准采样器的出液管口。
(2)逆时针方向慢慢旋转采样器的手柄至出液口流出介质为止。
(3)待样品采完后,顺时针方向旋转采样器的手柄至丝杆旋入为止。
型号及参数:

CXL-IC型液体在线式采样器
适用范围:本采样器适用于粘度、强腐蚀性的高温、易燃液体介质的采样。
使用温度:-20~425℃,工作压力:0~6.4MPa
使用方法:(1)先将采样器出液口处的冷却器接入冷却液;
(2)将贮样瓶口对准采样器的出液管口;
(3)逆时针方向慢慢旋转采样器的手柄至出液口流出介质为止;
(4)待样品采完后,顺时针方向旋转采样器的手柄至丝杆旋入为止。

JCXL-II气体在线式采样器
适用范围:适用于无颗粒、不凝结、不结晶的气体介质的采样。
使用温度:-20~425℃,工作压力:0~6.4MPa
使用方法:(1)先将贮气袋的采气接管采样器的采气接头中
(2)按逆时针方向慢慢旋转采样器手柄至介质进入贮气袋中,样品采足后,顺时针方向旋转采样器至丝杠旋入为止。
(3)密封后贮气袋进气管后,再将采取接头上的锁紧套往上移动,采取气接管即自动与采气接头脱开。
型号及参数:
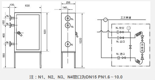
JCXM型密闭式采样器
JCXM型密闭式采样器,主要由箱体、采样瓶、缓冲罐、快换手轮、压力表、阀门、密封件及法兰组成。
一、结构特点
由于采样瓶与工艺管之间用带有快换手轮连接,因此,操作简单、方便。
二、技术参数适用范围
(1) JCXM-IA型液体密闭式采样器
适用范围:适用于有害、易燃、易爆等液体介质的采样。
技术参数:采样温度:-20~60℃,设计压力:0~10.0MPa,采样量:100ml

(2) JCXM-IB型液体密闭式采样器
适用范围:适用于种种有害、易燃、易爆等液体介质的采样。
技术参数:采样温度:-20~400℃,设计压力:0~10.0MPa,采样量:100ml

(3) JCXM-IIA型气体密闭式采样器
适用范围:适用于有害、易燃、易爆等气体介质的采样。
技术参数:使用温度:-20~50℃,设计压力:0~10.0MPa,采样量:200ml~500ml

(4) JCXM-IIB型气体密闭式采样器
适用范围:适用于种有害、易燃、易爆等气体介质的采样。
技术参数:采样温度:-20~400℃,设计压力:0~10.0MPa,采样量:200ml~500ml
